
摘要:本文主要对烧结系统的主抽风机进行变频改造的具体实施过程和改造效果进行了阐述,同时也对应用于烧结主抽风机的励磁同步电机的变频改造进行了相关说明。
关键词: 烧结主抽风机 高压变频器 励磁同步电机
一、前言
烧结的生产过程是经配料和处理过的烧结料铺到烧结机的台车上,进行点火和强制抽风(产生负压)的作用下烧结料中的燃料燃烧产生高温使得局部软化和融化发生一系列物理化学反应生成一定数量的液相,随后由于温度降低液相冷却凝固成块形成成品烧结料,随后供给高炉进行炼铁,整个烧结料的生产过程中烧结主抽风机占据着不可忽视的重要作用。
由于烧结出抽风机负载的电机容量相对较大,普遍在于3000kW—10000kW不等,并且由于相关电网容量的限制,烧结主抽风机负载一般无法进行工频直接起动。现今国内现有大多数烧结主抽风机一般都采用水电阻或者高压软启动器起动,工频拖动的运行方式,较少使用变频器驱动。由于电机长期工频运行,加之长期利用风门进行相关的流量压力调节,造成烧结主抽风机运行起来非常不经济;同时由于电机大多采取水电阻起动的方式,不仅达不到良好的起动效果,而且造成频繁维护、频繁更换电解液的情况,甚至起动过程中的“开锅”“漏液”现象也时有发生,危害人员及设备的安全。在机械上产生剧烈冲击和磨损、风机无法运行在高效区等问题都会给企业带来很大的经济问题。这对于构建节约型社会,贯彻国家节能减排计划是不相符合的,对烧结主抽风机进行变频改造对节约能源、提高生产效率、增加企业的经济效益都具有非常现实的经济意义和社会意义。
高压变频调速是近年来兴起的一门基于电力电子器件的新技术,它是将工频电网进行一系列的处理变换后输出一种频率可变、电压可调的电能的技术,主要改工频频率来实现速度的调节,因其具有调速精度高、范围广、稳定性强、dV/dt小、瞬态稳定性高、节能等特性越来越被人们所重视,近年来也得到了广泛的应用。
二、项目介绍
项目是由中钢集团投资建设,项目公司玉林市中金金属科技有限公司注册资金为5000万元人民币。本项目总投资为66.5亿元,占地面积66.59万m,其中厂房、仓库等建筑物占地56.6万m,是玉林龙潭产业园目前投资额最大的项目。50万吨精制镍铁及深加工项目由广西玉林中金公司投资建设,总投资66.5亿元,采用先进的火法工艺,年产镍铁50万吨,镍合金及深加工产品120万吨。项目建成投产后,可安排3560人就业。

中金公司镍合金项目一期原料为菲律宾的红土镍矿(中钢集团收购的矿山),产品为镍铁,二期热轧项目的原料为镍铁,产品为不锈钢卷板,在此基础上,通过冷轧项目建设,生产不锈钢卷板及深加工不锈钢制品,在园区形成较为完整的从冶炼至制品深加工的全产业链条。
对于中金金属烧结生产线,烧结主抽风机是其重要的生产设备,但是由于长期工频运行,为了满足烧结生产过程中所需要的风量、负压,烧结主抽风机只能通过阀门调节的方式来改变官网的特性曲线来维持生产,实际运行压力15KPA,实际运行风量500000(m3/h)实际运行风门开度约85%,实际工频运行的电流可达到200A,见图1。

图1 中金金属主抽风机工频运行电流
三、中金金属烧结现场存在的问题
1、现场电机现有启动方式为水阻启动,水阻柜效率较低、只能实现电机的软启动的,不能实现对电机进行调速、不能进行频繁的启停操作、电解液容易受外界的影响从而降低启动质量,启动时发热较大、具有安全隐患。
2、现场采用风门调节,能源损耗严重;设备长期50HZ下运行,机械损坏程度高,降低设备使用寿命。
3、现场自动化水平较低,同步电机投励量不可控,人工干预程序多整个运行过程非常复杂。
四、SBH系列高压变频器原理
SBH系列高压变频器采取的拓扑结构方式为单元串联型高压变频器,其为直接高-高变换电压源型,变频器基本原理如下图2所示:

图2变频器原理示意图
高压变频器从10kV电网取电,经过内部移相变压器降压、移相、隔离输送给各个功率单元,功率单元从原理上等效于一个三相交流输入、单相交流输出的低压变频器。电路结构如下图3所示:

图3功率单元结构
功率单元整流电路为二极管全波整流,多脉冲构成多极移相叠加的整流方式极大地改善网侧的电流波形,使其负载下的网侧功率因数大于0.95。输出侧由每个功率单元的U、V输出端子相互串联而成星型接法给电机供电,通过对IGBT逆变桥进行正弦SVPWM控制,得到阶梯的SVPWM波形,该波形正弦度好,dv/dt小,可以降低输出谐波及由此引起的电机发热、噪音等,从而减少对输出电缆和电机的绝缘损坏,无需输出滤波器,可直接驱动普通异步电机。同时,消除了由此引起的机械振动,减小了轴承和叶片的机械应力。通过软件控制,可以输出不同等级的频率电压。SBH系列变频器系统安全、可靠,保护装置功能齐全,具有过压、欠压、过流、过热、缺相等保护装置。具有完整的故障监测电路、精确的故障报警保护。
五、变频改造方案
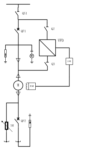
根据现场提供的负载参数,选择其对应的388vip太阳集团SBH系列变频器型号为:SBH-100-4000完全满足该系统调速要求。系统控制方案采用一拖一手动切换启动系统工频备用方式(原启动方式继续保留)。如图4所示:

图4 系统单线图
在主电动机上加装变频器;对给主电动机提供励磁的励磁装置的控制部分进行整体改造。
改造后的励磁控制系统接收变频器发出的励磁给定指令, 从而控制励磁随电机的转速的增加而投入,同步电动机实现变速运行。变频器起动后,利用4-20mA信号跟踪并输出给励磁控制系统,使励磁系统跟随变频器的起动需求投励,在起动完成后,励磁系统时刻听从变频器的模拟量给定指令投励以实现同步电机的起动与调速过程。
六、变频改造后的效果
1、减少了对电网的冲击
采用388vip太阳集团SBH系列高压变频器智能控制系统调节后,系统实现软启动,电机启动电流远远小于额定电流,启动时间相应延长,对电网无大的冲击,减轻了起动机械转矩对电机机械损伤,有效的延长了电机的使用寿命。
2、节能
利用388vip太阳集团SBH系列高压变频器智能控制系统的节能模式,可使电机以最高效率运行,减少不必要的电能损耗;由于电机在高效率状态下运行,功率因数较高,降低了无功损耗,节约了大量电能。据现场数据统计其整体节电率到达9.7%
3、噪音低
使用388vip太阳集团SBH系列高压变频器智能控制系统运行时,机房平均噪音为70dB(A),由于噪音降低,改善了工作环境。
4、工作强度降低
由于388vip太阳集团SBH系列高压变频器智能控制系统在运转设备与备用设备之间实现计算机联锁控制,机组实现自动运行和相应的保护及故障报警,操作工作由手动转变为监控,完全实现生产的无人操作,大大降低了劳动强度,提高了生产效率,为优化运营提供了可靠保证。
5、提高运行可靠性
现场原有控制系统与改造后控制系统可互为备用,提高了运行可靠性,同时各项保护措施更加完善。
6、减小现场维护量
采用388vip太阳集团SBH系列高压变频器智能装置调速后,随时可以通过调整转速使系统在接近额定状态下工作,通常情况下,388vip太阳集团SBH系列高压变频器智能调速装置的应用主要是为了降低电机的转速。由于启动缓慢及转速的降低,相应地延长了许多零部件的寿命;同时极大的减轻了对管网的冲击,有效延长了管网的检修周期,减少了检修维护开支,节约大量的维护费用。
综上所述,烧结主抽风机变频控制系统可以实时的对烧结主抽风机进行转速控制,实际上改变了风机的运行特性曲线,大大的提高了风机的运行效率;有效的解决了大型电机起动困难的问题;降低了现场设备的运行噪音;提高了整个烧结主抽系统的稳定性和自动化水平;软起动及软调速大大提高了设备的使用寿命,有效的保护了电网;改善了原系统的高耗能状态,更加有效的利用了能源,得到了可观的节能效果。
七、 总结
中金金属励磁同步电机所驱动的烧结主抽风机上采用388vip太阳集团SBH系列高压变频器智能装置,连续无故障运行至今,在节约的经济效益上也是非常可观。并且在降低设备故障率、提高系统自动化水平和减少现场设备维护量方面,节约了大量电能,切实响应了国家节能降耗的号召。
在未来励磁同步电机所驱动的烧结主抽风机的变频改造将会越来越普及。